Мы используем cookie для наилучшего представления нашего сайта. Подробнее об этом в Политике конфиденциальности.
Ок

Волгодонск

Ваш город:
Волгодонск (Ростовская область)?
Нет
Да
Каталог
Каталог Написать в WhatsApp
Мотоэкипировка

Выхлоп (длинная база) КВАДРОЦИКЛА AODES (ODES) 800 ATV-L

Выхлоп (длинная база) КВАДРОЦИКЛА AODES (ODES) 800 ATV-L в Волгограде: актуальный каталог, цены, фото, описание. Купите выхлоп (длинная база) квадроцикла aodes (odes) 800 atv-l в кредит – оформите заявку онлайн за 1 минуту!

Оригинальные запчасти

Артикул НАИМЕНОВАНИЕ Кол-во деталей в узле Примечание Наличие Цена Аналоги Фото
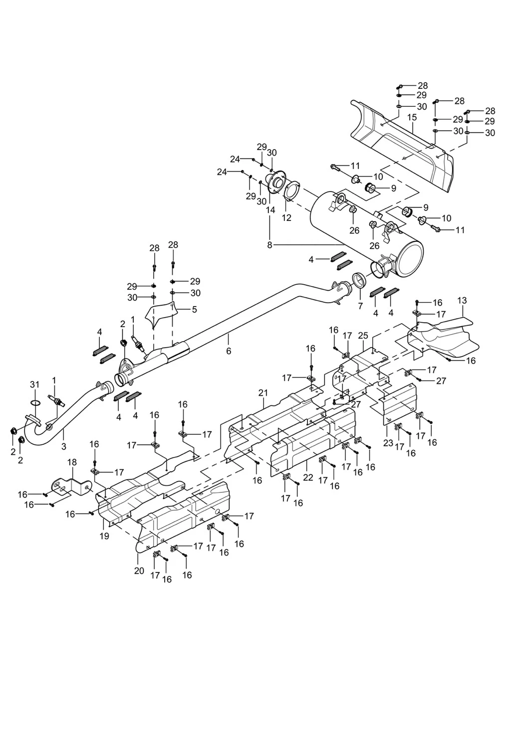
1 21040400701 Датчик кислородный AODES (ODES)

Под заказ

2

Под заказ

уточнить

Купить
2 04512080025 Гайка шестигранная, с фланцем, самостопор. М8 AODES (ODES)

Под заказ

4

Под заказ

уточнить

Купить
3 17307010060 Труба выхлопная (1 цилиндр) (650, 800 CC) AODES (ODES)

Под заказ

1

Под заказ

уточнить

Купить
4 17007010340 Пружина стягивания выхлопных труб AODES (ODES)

Под заказ

8

Под заказ

уточнить

Купить
5 17307010290 Щиток выхлопной трубы (теплоизоляция) (650, 800 CC) AODES (ODES)

Под заказ

1

Под заказ

уточнить

Купить
6 17307010070 Труба выхлопная (2 цилиндр) (длинная база) (650, 800 CC) AODES (ODES)

Под заказ

1

Под заказ

уточнить

Купить
7 17007010170 Прокладка графитовая, коническая AODES (ODES)

Под заказ

1

Под заказ

уточнить

Купить
8 17307090000 Глушитель выхлопа (650, 800 CC) AODES (ODES)

Под заказ

1

Под заказ

уточнить

Купить
9 13607010140 Демпфер глушителя AODES (ODES)

Под заказ

2

Под заказ

уточнить

Купить
10 13607010190 Втулка дистанционная AODES (ODES)

Под заказ

2

Под заказ

уточнить

Купить
11 01224080356 Болт с шестигранной головкой с фланцем М8*35 AODES (ODES)

Под заказ

2

Под заказ

уточнить

Купить
12 17007100820 Прокладка графитовая, плоская AODES (ODES)

Под заказ

1

Под заказ

уточнить

Купить
13 17007010310 Щиток выхлопной трубы (теплоизоляция) AODES (ODES)

Под заказ

1

Под заказ

уточнить

Купить
14 17007010770 Патрубок выхлопной отдельно не продается AODES (ODES)

Под заказ

1

Под заказ

уточнить

Купить
15 01224060165 Болт с шестигранной головкой с фланцем М6*16 AODES (ODES)

Под заказ

27

Под заказ

уточнить

Купить
16 17007010780 Гайка - клипса М6 AODES (ODES)

Под заказ

25

Под заказ

уточнить

Купить
17 17007010760 Кронштейн щитка выхлопной трубы AODES (ODES)

Под заказ

1

Под заказ

уточнить

Купить
18 17007010380 Щиток выхлопной трубы (теплоизоляция) (1 цил. внутренний) AODES (ODES)

Под заказ

1

Под заказ

уточнить

Купить
19 17007010370 Щиток выхлопной трубы (теплоизоляция) (1 цил. внешний) AODES (ODES)

Под заказ

1

Под заказ

уточнить

Купить
20 17007010400 Щиток выхлопной трубы (теплоизоляция) (2 цил. внутренний) AODES (ODES)

Под заказ

1

Под заказ

уточнить

Купить
21 17007010390 Щиток выхлопной трубы (теплоизоляция) (2 цил. внешний) AODES (ODES)

Под заказ

1

Под заказ

уточнить

Купить
22 17007010410 Щиток выхлопной трубы (теплоизоляция) внешний AODES (ODES)

Под заказ

1

Под заказ

уточнить

Купить
23 04312060023 Гайка шестигранная с колпачком М6 AODES (ODES)

Под заказ

3

Под заказ

уточнить

Купить
24 17007010420 Щиток выхлопной трубы (теплоизоляция) внутренний AODES (ODES)

Под заказ

1

Под заказ

уточнить

Купить
25 04512080025 Гайка шестигранная, с фланцем, самостопор. М8 AODES (ODES)

Под заказ

2

Под заказ

уточнить

Купить
26 01254060126 Болт с шестигранной головкой с фланцем М6*12 AODES (ODES)

Под заказ

2

Под заказ

уточнить

Купить
27 01244060163 Болт с шестигранной головкой М6*16 AODES (ODES)

Под заказ

6

Под заказ

уточнить

Купить
28 06619061003 Шайба - гровер М6 AODES (ODES)

Под заказ

9

Под заказ

уточнить

Купить
29 06119061203 Шайба М6 AODES (ODES)

Под заказ

9

Под заказ

уточнить

Купить
30 21040400101 Прокладка выхлопной трубы AODES (ODES)

Под заказ

2

Под заказ

уточнить

Купить

Нулевая цена не означает отсутствие товара. Оформите заказ, и менеджер сообщит вам цену и наличие товара, предварительно запросив их у поставщика

Главная Магазины
Корзина0
Профиль