Мы используем cookie для наилучшего представления нашего сайта. Подробнее об этом в Политике конфиденциальности.
Ок

Волгодонск

Ваш город:
Волгодонск (Ростовская область)?
Нет
Да
Каталог
Каталог Написать в WhatsApp
Мотоэкипировка

Двигатель (Часть 2) КВАДРОЦИКЛА AODES (ODES) 1000 ATV-L

Двигатель (Часть 2) КВАДРОЦИКЛА AODES (ODES) 1000 ATV-L в Волгограде: актуальный каталог, цены, фото, описание. Купите двигатель (часть 2) квадроцикла aodes (odes) 1000 atv-l в кредит – оформите заявку онлайн за 1 минуту!

Оригинальные запчасти

Артикул НАИМЕНОВАНИЕ Кол-во деталей в узле Примечание Наличие Цена Аналоги Фото
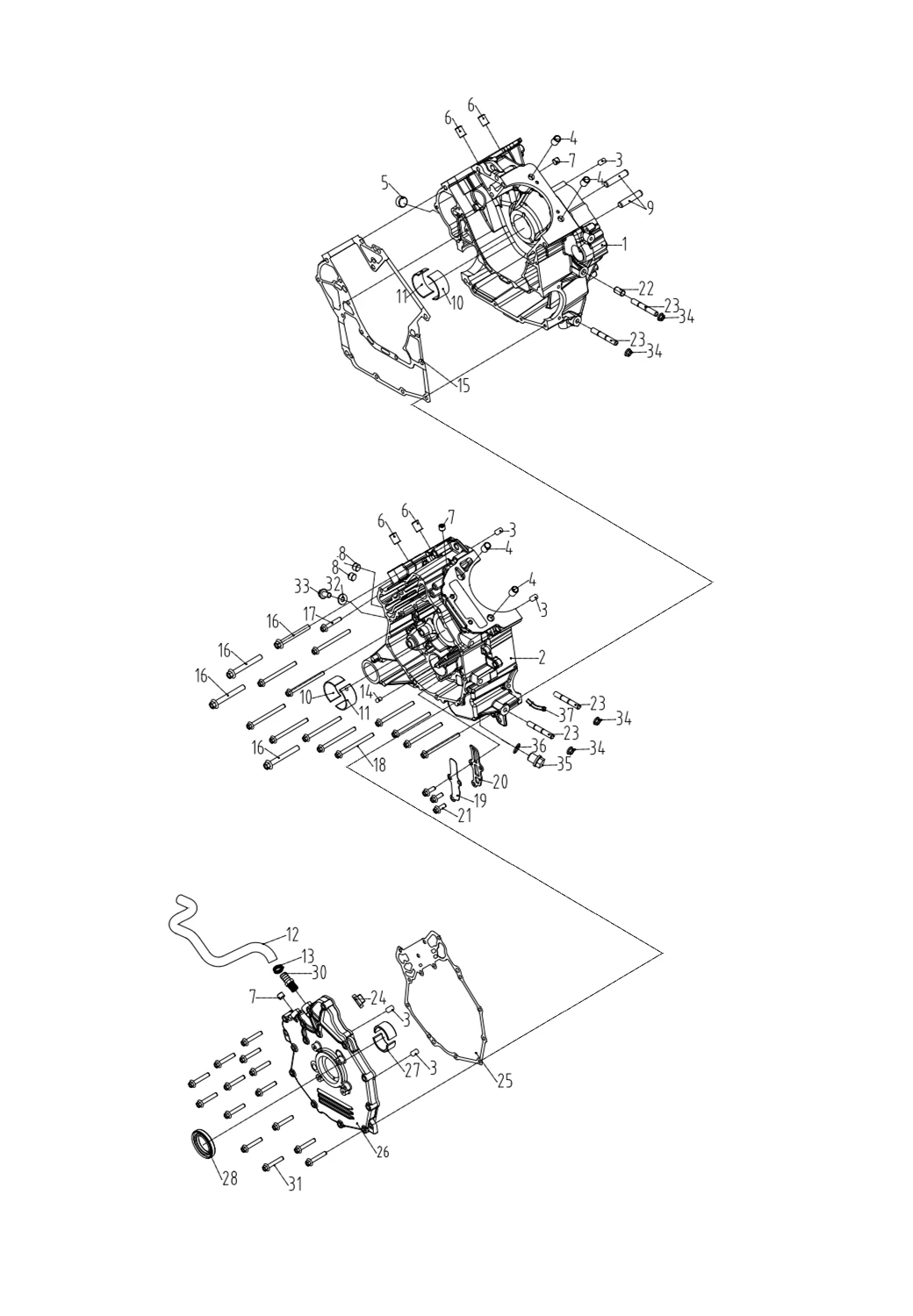
1 21050300102 Картер двигателя, правая половинка (1000 CC) AODES (ODES)

Под заказ

1
Менять вместе с 2105...
Менять вместе с 21050300201

Под заказ

уточнить

Купить
2 21050300201 ЛЕВЫЙ КАРТЕР

Под заказ

1
Менять вместе с 2105...
Менять вместе с 21050300102

Под заказ

уточнить

18 710

Купить
3 21040105401 Штифт цилиндрический 8*12 AODES (ODES)

Под заказ

5

Под заказ

уточнить

Купить
4 21040105502 Штифт цилиндрический 5*11 AODES (ODES)

Под заказ

4

Под заказ

уточнить

Купить
5 21040105601 Заглушка резьбовая AODES (ODES)

Под заказ

1

Под заказ

уточнить

Купить
6 90101120650 Штифт AODES (ODES)

Под заказ

8

Под заказ

уточнить

Купить
7 21040105701 Заглушка резьбовая AODES (ODES)

Под заказ

3

Под заказ

уточнить

Купить
8 21040105801 Заглушка резьбовая AODES (ODES)

Под заказ

2

Под заказ

уточнить

Купить
9 21040105901 Штифт AODES (ODES)

Под заказ

3

Под заказ

уточнить

Купить
10 21040106001 Вкладыш коренной (половинка A) AODES (ODES)

Под заказ

2

Под заказ

уточнить

Купить
11 21040106101 Вкладыш коренной (половинка B) AODES (ODES)

Под заказ

2

Под заказ

уточнить

Купить
12 21170102101 Трубка вентиляции картера двигателя AODES (ODES)

Под заказ

1

Под заказ

уточнить

Купить
13 21040403801 Хомут AODES (ODES)

Под заказ

1

Под заказ

уточнить

Купить
14 21040106301 Штифт 6*10 AODES (ODES)

Под заказ

1

Под заказ

уточнить

Купить
15 21050301601 Прокладка картера (1000 CC) AODES (ODES)

Под заказ

1

Под заказ

уточнить

Купить
16 1214080651 Болт с шестигранной головкой с фланцем М8*65 AODES (ODES)

Под заказ

4

Под заказ

уточнить

Купить
17 1224060251 Болт с шестигранной головкой с фланцем М6*25 AODES (ODES)

Под заказ

2

Под заказ

уточнить

Купить
18 1214060751 Болт с шестигранной головкой с фланцем М6*75 AODES (ODES)

Под заказ

13

Под заказ

уточнить

Купить
19 21040106501 Клапан лепестковый AODES (ODES)

Под заказ

1

Под заказ

уточнить

Купить
20 21040106601 Ограничитель клапана лепесткового AODES (ODES)

Под заказ

1

Под заказ

уточнить

Купить
21 1224060161 Болт с шестигранной головкой с фланцем М6*16 AODES (ODES)

Под заказ

3

Под заказ

уточнить

Купить
22 21040116001 Штифт цилиндрический 10*16 AODES (ODES)

Под заказ

1

Под заказ

уточнить

Купить
23 21050301301 Шпилька резьбовая (1000 CC) М8*69 AODES (ODES)

Под заказ

4

Под заказ

уточнить

Купить
24 21050302411 Втулка (1000 CC) AODES (ODES)

Под заказ

1

Под заказ

уточнить

Купить
25 21040106901 Прокладка крышки картера AODES (ODES)

Под заказ

1

Под заказ

уточнить

Купить
26 21050302400 Крышка картера (1000 CC) AODES (ODES)

Под заказ

1

Под заказ

уточнить

Купить
27 21040107101 Вкладыш коренной (одна половинка) AODES (ODES)

Под заказ

2

Под заказ

уточнить

Купить
28 21040107301 Сальник 34*52*8 AODES (ODES)

Под заказ

1

Под заказ

уточнить

Купить
29 21040107201 Штуцер AODES (ODES)

Под заказ

1

Под заказ

уточнить

Купить
30 1224060351 Болт с шестигранной головкой с фланцем М6*35 AODES (ODES)

Под заказ

14

Под заказ

уточнить

Купить
31 21040107401 Шайба алюминиевая М8 AODES (ODES)

Под заказ

1

Под заказ

уточнить

Купить
32 1224080161 Болт с шестигранной головкой с фланцем М8*16 AODES (ODES)

Под заказ

1

Под заказ

уточнить

Купить
33 4112080021 Гайка шестигранная, с фланцем М8 AODES (ODES)

Под заказ

4

Под заказ

уточнить

Купить
34 21050600202 Пробка сливная, магнитная (1000 CC) М18 AODES (ODES)

Под заказ

1

Под заказ

уточнить

Купить
35 21050600101 Шайба медная (1000 CC) Ф18 AODES (ODES)

Под заказ

1

Под заказ

уточнить

Купить
36 21050301211 Штуцер (1000 CC) AODES (ODES)

Под заказ

1

Под заказ

уточнить

Купить

Нулевая цена не означает отсутствие товара. Оформите заказ, и менеджер сообщит вам цену и наличие товара, предварительно запросив их у поставщика

Главная Магазины
Корзина0
Профиль